Характеристики
Разрушающая нагрузка, кН
—
не менее 70
- L
—
120
- L1
—
160
- D
—
17
Все характеристики
56,67 BYN.
/шт Под заказ
Под заказ
Наши менеджеры обязательно свяжутся с вами и уточнят условия заказа
Цена действительна только для интернет-магазина и может отличаться от цен в розничных магазинах
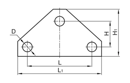
Коромысло однореберное К2-7-1С
Разрушающая нагрузка, кН
не менее 70
- L1
160
- D
17
-H
70
-H1
110
- L
120
Масса, кг
1,50
Для покупки товара в нашем интернет-магазине выберите понравившийся товар и добавьте его в корзину. Далее перейдите в Корзину и нажмите на «Оформить заказ» или «Быстрый заказ».
Когда оформляете быстрый заказ, напишите ФИО, телефон и e-mail. Вам перезвонит менеджер и уточнит условия заказа. По результатам разговора вам придет подтверждение оформления товара на почту или через СМС. Теперь останется только ждать доставки и радоваться новой покупке.

